网站首页
关于宏广
产品中心
行业解决方案
客户案例
资讯中心
联系我们
English
首页
关于宏广
公司介绍
资质荣誉
产品中心
行业解决方案
流体输送
单泵单枪供胶系统
单泵双枪供胶系统
多泵远距离供胶系统
双泵机械臂供胶系统
固定式定量机供胶系统
机械臂3D胶枪供胶系统
主要组件
客户案例
资讯中心
联系我们
涂胶系列
胶枪
减压阀
胶泵
其他备品备件
喷涂漆系统
雾化器
换色模块
备品备件
其它备件
您当前位置:
首页
产品中心
>
涂胶系列
>
减压阀
>
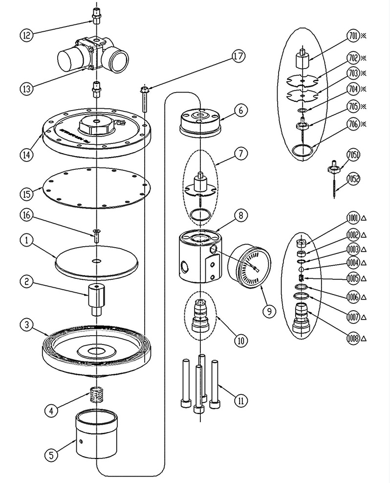
高压流体压力调节器V2000A
不锈钢材质
采用不锈钢材质,不易磨损,经久耐用,与催化剂及水性材料兼容
水基材料兼容
适用于多种类型的胶体材质,可快速清洗及更换阀芯
238894
产品描述
详细参数
减压阀V2000A,调节动力源采用的是压缩空气,外形材料为不锈钢,不易磨损,经久耐用。
这款减压阀可适用于多种场合,对压力进行调节,通用的胶体材质如:胶水,油,脂,油漆等。